영상전류를 검출하는 이유는 지락보호를 하기 위함이며 접지방식에 따라 영상전류를 검출 방식이 다르다.
즉, 접지방식이 무엇이냐에 따라 지락전류의 크기가 달라진다는 것이다.
직접접지 및 저저항접지방식에서는 지락이 발생하면 지락전류가 굉장히 크게 흐르기 때문에
일반 CT를 사용해서도 지락전류를 쉽게 검출할 수 있으며, 계전기 입장에서도 감도가 좋은 반면,
고저항접지 및 비접지방식에서는 선택지락계전기를 적용하더라도 감도가 떨어져서 계전기가 부동작할 수도 있다.
SGR계전기의 감도가 떨어지는 경우와 원인에 대해서는 {보호계전기_26번} 게시글에서 설명하였다.
그래서, 비접지계통에서는 이렇게 지락에 대한 보호가 완벽하지 않기 때문에, 비접지계통을 직접접지계통으로
바꿔서 운용하는 경우도 있다.
1. 직접 접지계통, 저저항 접지계통
1.1) 잔류회로 결선을 통한 영상전류 검출

· 가장 저렴하며, 가장 일반적인 방식에 해당한다.
· 각 상에 OCR을 설치하고, 위 그림에서 잔류결선을 통해 OCGR이 영상전류를 검출해낸다.
- 잔류결선에는, A상 B상 C상의 전류가 합성되어 흐르게 되는데, 이 잔류결선에 흐르는 각 상의 전류를 보면
정상분도 있고, 역상분도 있고, 역상분도 있을 것이다. 이 중에서 정상분과 역상분은 3상 평형성분에 해당한다.
정상분과 역상분은 서로 위상차가 120˚ 차이가 나서 상회전하는 방향만 다를 뿐이지 서로 크기도 같기 때문에
3상평형성분이다. 그래서 잔류결선에 흐르는 각 상의 전류는 정상분과 역상분이 흐를 수가 없다.
왜냐하면 잔류결선에는 각 상의 전류가 합성되어 흐르는데, 정상분과 역상분은 서로 3상평형성분이기 때문에,
합성되면 0이 된다. 즉, 잔류결선회로에 유일하게 흐를 수 있는 전류는 영상분전류다.
반면, 영상분전류는 각 상 모두 크기와 위상이 같아서, 세 상이 합성되어서 잔류결선에 유일하게 흐를 수 있다.

· 평상시에는 정상분과 역상분 성분이 3상 평형이기 때문에 서로 합성되어 잔류결선에는 어떠한 전류도 흐르지 않지만
지락이 발생할때는 영상분이 존재하므로, 잔류결선에 각 상의 영상분전류가 합성되어 흐르게 된다.
그래서, 지락보호를 위해서 Three CT를 설치하고 잔류결선을 만들고 OCGR을 설치해서 영상전류를 검출한다.
그리고, 일반적인 단락과 과부하에 대해서는 OCR을 통해 보호한다.
1.2) 중성점 변류기 설치방식을 통한 영상전류 검출

· Y결선된 변압기와 발전기에는 중성선이 있으므로 이곳에 일반 CT를 설치해서, 지락전류가 흐르면 OCGR이
영상전류를 검출할 수 있도록 해준다.
· 직접접지나 저저항 접지계통에서는 지락전류가 크게 발생하기 때문에 잔류회로나 중성점 변류기 설치방식을
통해서도 계전기는 충분한 감도를 얻을 수 있다. 각 상의 과전류계전기를 통해서 단락사고를 검출하고,
쓰리CT 잔류회로를 통해서 지락사고를 검출한다.
· 즉, 선로에서는 잔류회로를 통해 지락보호를 하고 중성점에서는 중성점 변류기를 설치해서 지락에 대한 보호를
다양하게 병행시킨다.
2. 고저항 접지계통
· 추후 발전기편에서도 다룰 내용이지만, 발전기 중성점에 NGR을 직접 설치하거나, 접지변압기를 설치해서 2차측에
NGR을 설치하는 등 고저항접지방식을 사용하게 된다. 왜냐하면 직접접지 방식에서 지락이 발생하면 지락전류가
굉장히 크게 흘러 기기가 손상되는 것을 방지하기 위해 이런식으로 고저항접지방식을 적용한다.
· 이렇게, 접지는 되어있지만 고저항으로 접지가 되어있다보니, 지락이 발생하면 지락전류가 비접지방식보다는 많이
흐르긴 하지만, 지락전류가 작게 흐르므로 변류비가 큰 일반CT로는 충분한 2차 영상전류를 얻어내기가 어렵다.
즉, 변류비가 커질수록 2차측으로 흐르는 영상전류값은 더 작아지기 때문에, 잔류회로에 아무리 영상전류가 흐른다
하더라도 OCGR이 충분히 동작할 만큼 감도를 얻기는 어려운 수준이다.
즉, 부하가 커지면 일반CT의 변류비도 큰 것으로 적용해야 하므로, 커진 CT 변류비를 갖고서는 이렇게 작게 흐르는
지락전류의 영상분전류는 아무리 잔류결선을 통해 OCGR로 흘러들어간다 하더라도 계전기 입장에서는 굉장히 부족한
전류에 해당하므로 OCGR이 부동작할 가능성이 높다.
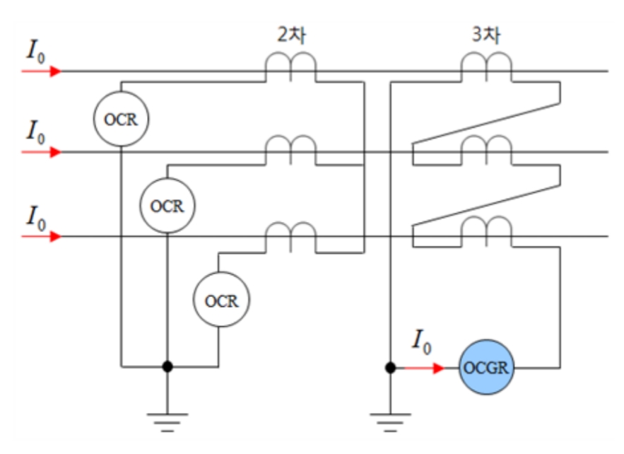
· 그래서, 고저항접지계통에서는 3권선 CT를 이용해서 2차권선은 단락보호로만 사용하고 잔류결선은 적용하지 않는다.
대신 3차권선에 △결선을 통한 영상분로접속을 하고 변류비가 낮은 CT를 설치하고 OCGR을 설치해서 영상전류를
검출하는 방식을 적용한다.
이렇게 하면 OCGR은 충분한 감도를 얻을 수 있으므로, 지락시 계전기가 부동작 할 가능성이 없어지게 되어,
고저항접지방식이라 할지라도 안전하게 지락보호를 할 수 있게 된다.

2.1) 잔류회로+OCGR 적용 (변류비가 작은 경우)
아래 2.2항과 같이 3권선 CT까지 적용할 필요 없이,
일반 CT를 Y결선하고, 각 상에 OCR을 설치하고, 잔류결선을 만들고, OCGR을 설치한다.
(왜냐하면, 변류비가 작으면, 예를들어 500/5A처럼 변류비가 큰 CT가 아닌 200/5A or 100/5A처럼 변류비가 작은
일반 CT는, 작은 지락전류라 하더라도 500/5A에서 흘러나오는 2차 지락전류보다야 아무래도 의미있는 수준의 크기로
변환된 2차 지락전류가 OCGR로 흘러 들어가기 때문에, 계전기입장에서는 어느정도 감도를 얻어낼 수 있다는 것이다.)
2.2) 3권선 CT이용 & 영상분로접속+OCGR 적용 (변류비가 큰 경우)
· 잔류결선을 통해서 충분한 영상전류를 얻기 힘든 경우
· 일반적으로 변류비가 300/5A를 초과하는 경우
→ 주로 100/5A 변류비를 갖는 CT를 3차권선에 적용함.
→2차 권선은 부하에 맞게 큰 변류비를 가진 CT를 설치한다 하더라도, 3차권선에는 전용으로 지락을 보호하기
위해, 2차권선에 적용한 변류기보다는 변류비가 보다 낮은 변류기(ex. 100/5A)를 설치해준다.
· 2차 권선은 과부하와 단락보호로 사용함.
· 3차 권선은 영상분로 접속하고, 잔류결선을 만들고, OCGR을 설치해서 영상전류를 검출함.
3. 비접지계통
· 영상변류기(ZCT) 적용
- 절연이 문제가 되지 않는 계통은 3상 일괄하여 영상변류기에 통과시켜 고감도로 영상전류를 검출한다.
ZCT의 표준으로는, 정격 영상 1차전류를 200mA로 사용하고, 정격 영상 2차전류를 1.5mA로 사용한다.

'전기 > 보호계전기' 카테고리의 다른 글
| 28. 차단기 선정과 과전류계전기 정정의 적정성 판정 (9) | 2022.08.25 |
|---|---|
| 26. 비접지계통에서 선택지락계전기의 감도가 저하되는 경우와 원인 (4) | 2022.08.12 |
| 25. 비접지계통에서의 1선지락시 지락전류와 영상전압의 이해 (2) | 2022.08.12 |
| 24. 선택지락계전기(SGR, 67G)의 필요성과 구성방식 및 동작특성 (24) | 2022.08.03 |
| 23. 대용량 유도전동기의 과전류계전기(50/51) 정정 (1) | 2022.07.29 |